Introduction: The computer power supply is the hub for supplying power to various components of the computer and is an important component of the computer; Convert 220V AC power into DC power and deliver it to each component separately.
Application scope: motherboards, drivers, graphics cards, etc.
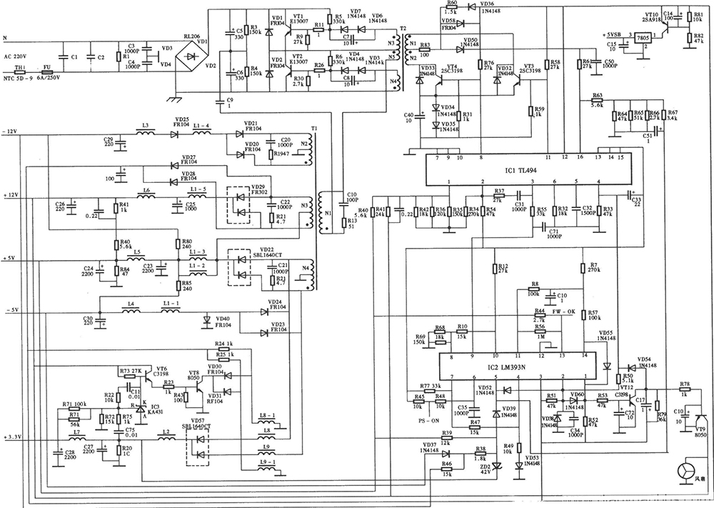
Application example:
Typical application circuit:
