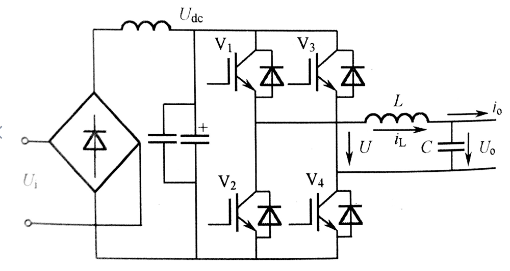
Introduction: Inverter is a device that converts direct current (DC) energy (battery, battery) into alternating current (usually 220V, 50Hz sine wave). It consists of an inverter bridge, control logic, and filtering circuit.


Application scope: Widely applicable to air conditioning, home theaters, electric grinding wheels, power tools, sewing machines DVD、VCD、 Computers, televisions, washing machines, range hoods, refrigerators, video recorders, massagers, fans, lighting, etc.


Application example:

1.jpg

Application circuit:

20231127165943650.png