简介:是一种用于电(光)信号转发的网络设备,它可以为接入交换机的任意两个网络节点提供独享的电信号通路。
应用范围:企业网络,工业控制,医疗,网络接入,校园网络,公共安全领域
应用实例:
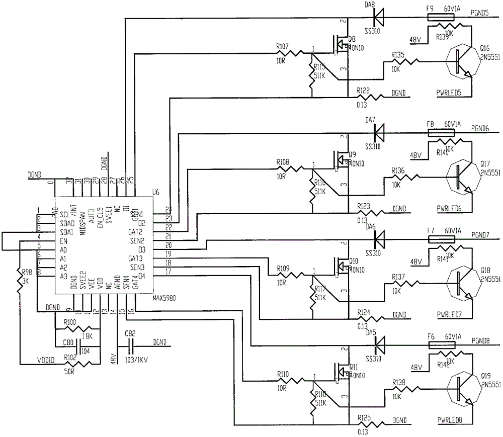
典型应用电路:
Copyright © 2025 台集通半导体 版权所有