XML
网站地图
RSS
CN
中文
English
首页
走进台集通
公司简介
质量体系
发展历程
制造设备
新闻资讯
产品中心
分立器件
二极管
稳压二极管
开关二极管
肖特基二极管
快恢复二极管
TVS瞬态抑制二极管
整流二极管
整流桥
三极管
数字三极管
晶体管
功率器件
MOSFET
IC芯片
电源管理
线性稳压器LDO
应用领域
新能源汽车
中控
电池管理
逆变器
充电桩
HID氙气灯
车载OBC
工业控制
机器人
仪表
电动工具
变频器
消费电子
电源适配器
LED驱动
移动电源
医疗设备
PC电源
电动车
无线充
通信
基站电源
通信交换机和路由器
5G电源
家电
白电
黑电
小家电
服务支持
样品申请
技术服务
产品应用知识
联系我们
联系我们
客户留言
人才招聘
首页
走进台集通
公司简介
质量体系
发展历程
制造设备
优势
制造设备
固晶车间
焊线车间
塑封车间
成型车间
测试车间
制造流程
分立器件生产流程
新闻资讯
产品中心
分立器件
二极管
稳压二极管
开关二极管
肖特基二极管
快恢复二极管
TVS瞬态抑制二极管
整流二极管
整流桥
三极管
数字三极管
晶体管
功率器件
MOSFET
IC芯片
电源管理
线性稳压器LDO
应用领域
新能源汽车
中控
电池管理
逆变器
充电桩
HID氙气灯
车载OBC
工业控制
机器人
仪表
电动工具
变频器
消费电子
电源适配器
LED驱动
移动电源
医疗设备
PC电源
电动车
无线充
通信
基站电源
通信交换机和路由器
5G电源
家电
白电
黑电
小家电
服务支持
样品申请
技术服务
产品应用知识
联系我们
联系我们
台湾研发总部
香港办事处
新加坡办事处
深圳办事处
深圳代理商
客户留言
人才招聘
en
/
cn
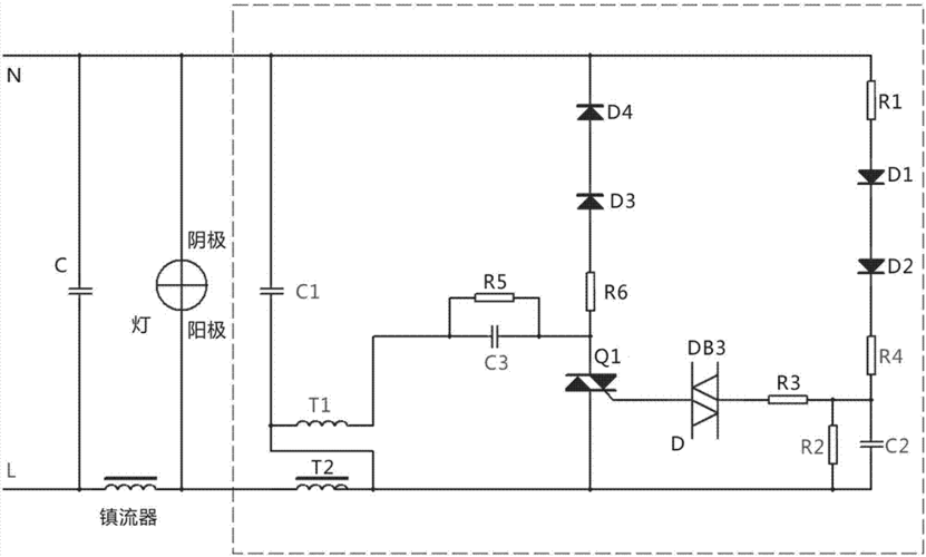
HID氙气灯
简介:氙气灯(High intensity Discharge Lamp) 是指内部充满包括氙气在内的惰性气体混合体,没有卤素灯(halogen lamp)所具有的灯丝的高压气体放电灯,简称HID氙气灯,可称为金属卤化物灯或氙气灯,分为汽车用氙气灯和户外照明用氙气灯。
应用范围:汽车照明和摩托照明
应用实例:
应用电路:
Copyright © 2025 台集通半导体 版权所有
在线交谈
E-mail
13723705933