简介:逆变器是把直流电能(电池、蓄电瓶)转变成交流电(一般为220V,50Hz正弦波)。它由逆变桥、控制逻辑和滤波电路组成。
应用范围:广泛适用于空调、家庭影院、电动砂轮、电动工具、缝纫机、DVD、VCD、电脑、电视、洗衣机、抽油烟机、冰箱,录像机、按摩器、风扇、照明等。
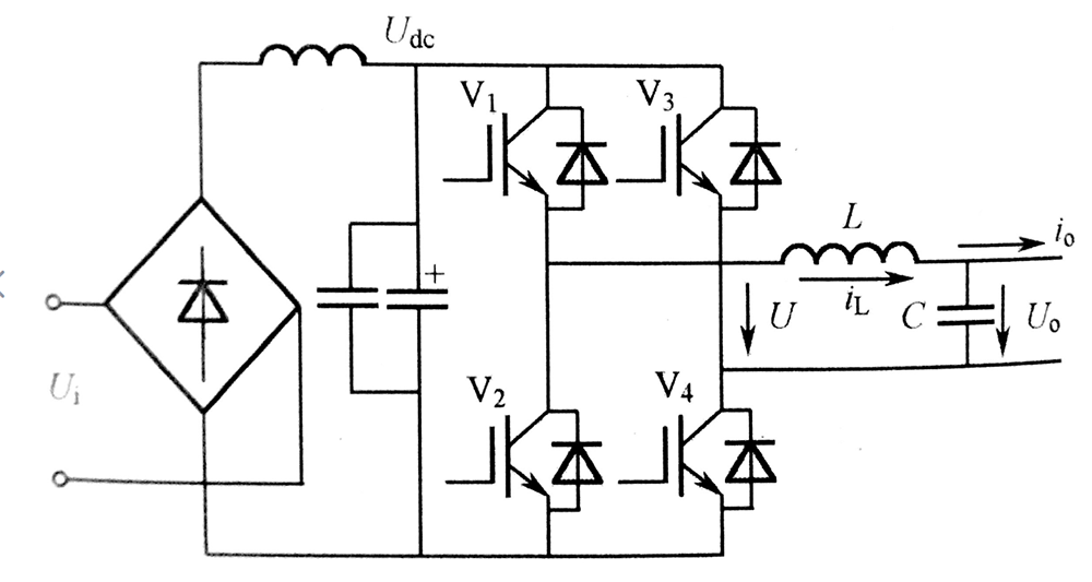
应用实例:
应用电路:
Copyright © 2025 台集通半导体 版权所有